Задать свой вопрос   *более 50 000 пользователей получили ответ на «Решим всё»

Задача 4699 На рисунке изображён участок цепи...

Условие

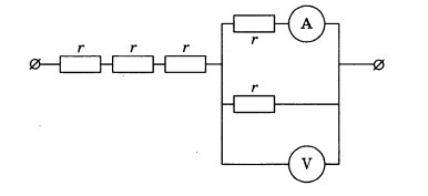
На рисунке изображён участок цепи постоянного тока, содержащий пять одинаковых резисторов по 4 Ом каждый. Амперметр показывает силу тока 1 А.
Определите общее электрическое сопротивление участка цепи и показания вольтметра. Амперметр и вольтметр считать идеальными.

1) 14 Ом, 2 В
2) 14 Ом, 4 В
3) 20 Ом, 2 В
4) 20 Ом, 4 В

физика 8-9 класс 23000

Решение

Общее электрическое сопротивление для трех последовательно включенных резисторов считается как сумма их сопротивление R1 = r+r+r = 12 Ом, для параллельно включенных резисторов как 1/R2 = 1/r + 1/r ==> R2 = r/2 = 2 Ом. Общее сопротивление на участке цепи равно 12 Ом + 2 Ом = 14 Ом.

Напряжение на параллельных участках цепи равно. Значит напряжение на участке с подключенным вольтметром можно вычислить как напряжение на участке с подключенным амперметром. V = I*r = 1*4 = 4 В


Ответ: 2

Вопросы к решению (9)

Написать комментарий

Меню

Присоединяйся в ВК