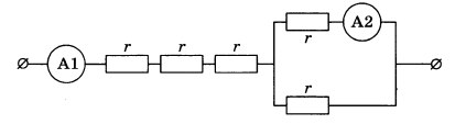
Участок цепи постоянного тока состоит из пяти одинаковых резисторов по 2 Ом каждый. Амперметр А2 показывает силу тока в 1 А. Чему равны общее электрическое сопротивление участка цепи и сила тока, которую показывает амперметр А1? Сопротивлением амперметров пренебречь.
1) 7 Ом, 2 А
2) 10 Ом, 2 А
3) 7 Ом, 0,5 А
4) 10 Ом, 0,5 А
физика 8-9 класс
24970
Общее сопротивление участка из двух одинаковых (по 2 Ом каждый) параллельно соединённых резисторов равно 1 Ом. При последовательном же соединении значения сопротивлений складываются. Таким образом, общее сопротивление всей цепи равно 7 Ом. Сила тока до разветвления равна сумме сил токов в каждом разветвлении. В двух одинаковых параллельных участках цепи сила тока будет одинаковой, поэтому показание амперметра А1 будет в 2 раза превышать показания амперметра А2 и будет равно 2 А.
Ответ: 1
Вопросы к решению (2)
2+2+2+1. 1 так как те два резистора параллельны и значит делятся пополам. Как-то так.
В двух одинаковых параллельных участках цепи сила тока будет одинаковой, поэтому показание амперметра А1 будет в 2 раза превышать показания амперметра А2 и будет равно 2 А.