Задать свой вопрос   *более 50 000 пользователей получили ответ на «Решим всё»

Задача 12005 В схеме на рисунке два одинаковых...

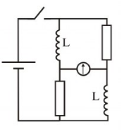
Условие

В схеме на рисунке два одинаковых резистора сопротивлением R=100 Ом каждый и две одинаковые идеальные индуктивности подключены к источнику постоянной ЭДС E=75 В. В начальный момент ключ разомкнут. После замыкания ключа на время t=10 сек его снова размыкают. Какой заряд (в мКл) протечет через гальванометр после размыкания ключа? Сопротивлением гальванометра и внутренним сопротивлением источника пренебречь

физика 10-11 класс 2096

О решение...

На нашем сайте такое бывает редко, но решение к данной задаче еще никто не написал.

Что Вы можете сделать?

  1. Выставите данный вопрос вновь. Перейдите на главную страницу.
  2. Найдите похожую задачу. Используйте поиск.

Написать комментарий

Меню

Присоединяйся в ВК